Email:
sales@cntradematt.com
Tel: 0371-58576800
English
English
Русский
主页
关于我们
关于驰迈特
荣誉证书
产品中心
铝锭
气凝胶保温材料
气凝胶隔热材料
气凝胶绝热材料
铝纤维
真空吸盘垛板机
铝圆片
超临界萃取设备
新闻中心
气凝胶资料
其他
案例展示
视频中心
联系我们
English
/
Русский
您的位置:
驰迈特
>
新闻中心
>
气凝胶资料
>
联系我们
电话:0371-58576800
推荐产品
气凝胶保温毡
气凝胶复合保温材料
气凝胶外墙保温
气凝胶资料
01-26
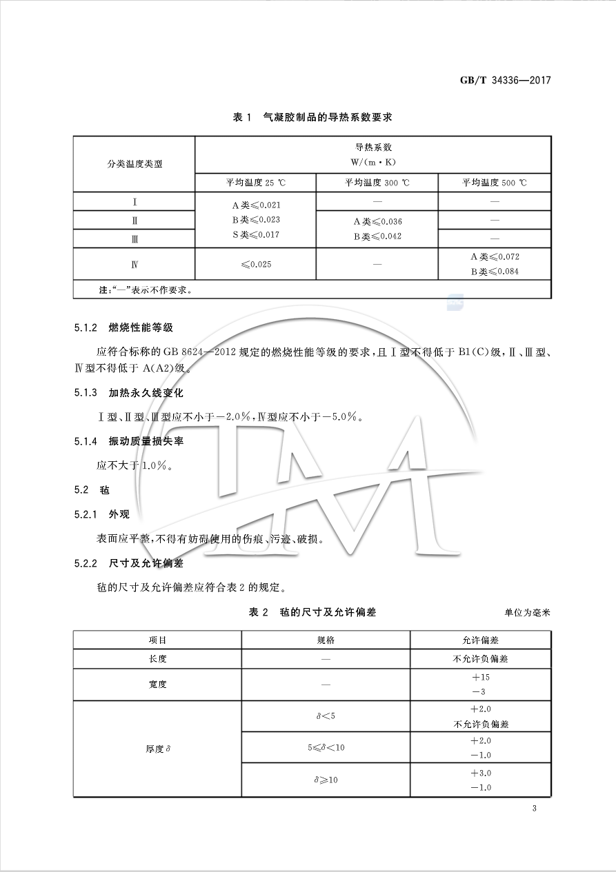
【GB】纳米孔气凝胶复合绝热制品
点击数 :
上一篇:没有了
下一篇:
气凝胶保温隔热材料在市场上的行情
回到上一页